Egr Valve Location Jeep . the egr valve on a jk is located on the back of the passenger side cylinder head between the engine and the firewall. If you are wondering how to. the egr valve is a massive component of your engine. in this video we replace the failed egr valve in our 2010 jeep wrangler by utilizing zipties to move the. if it is to hopefully resolve an issue, you can loosen the 8mm bolts holding the tube on the egr valve enough to pull. simultaneously as you pull on the wrench, push on the top of the egr valve towards the center of the jeep, rotating the egr valve. Not only does it send unburnt fuel back into your intake. egr valve replacement jeep wrangler 3.8l v6 how to install or remove and replace.
from www.jk-forum.com
the egr valve is a massive component of your engine. If you are wondering how to. Not only does it send unburnt fuel back into your intake. in this video we replace the failed egr valve in our 2010 jeep wrangler by utilizing zipties to move the. the egr valve on a jk is located on the back of the passenger side cylinder head between the engine and the firewall. if it is to hopefully resolve an issue, you can loosen the 8mm bolts holding the tube on the egr valve enough to pull. egr valve replacement jeep wrangler 3.8l v6 how to install or remove and replace. simultaneously as you pull on the wrench, push on the top of the egr valve towards the center of the jeep, rotating the egr valve.
Jeep Wrangler JK How to Replace EGR Valve Jkforum
Egr Valve Location Jeep if it is to hopefully resolve an issue, you can loosen the 8mm bolts holding the tube on the egr valve enough to pull. egr valve replacement jeep wrangler 3.8l v6 how to install or remove and replace. the egr valve is a massive component of your engine. the egr valve on a jk is located on the back of the passenger side cylinder head between the engine and the firewall. If you are wondering how to. Not only does it send unburnt fuel back into your intake. simultaneously as you pull on the wrench, push on the top of the egr valve towards the center of the jeep, rotating the egr valve. in this video we replace the failed egr valve in our 2010 jeep wrangler by utilizing zipties to move the. if it is to hopefully resolve an issue, you can loosen the 8mm bolts holding the tube on the egr valve enough to pull.
From viuttib9efixengine.z13.web.core.windows.net
2008 Jeep Grand Cherokee Egr Valve Location Egr Valve Location Jeep in this video we replace the failed egr valve in our 2010 jeep wrangler by utilizing zipties to move the. simultaneously as you pull on the wrench, push on the top of the egr valve towards the center of the jeep, rotating the egr valve. the egr valve is a massive component of your engine. if. Egr Valve Location Jeep.
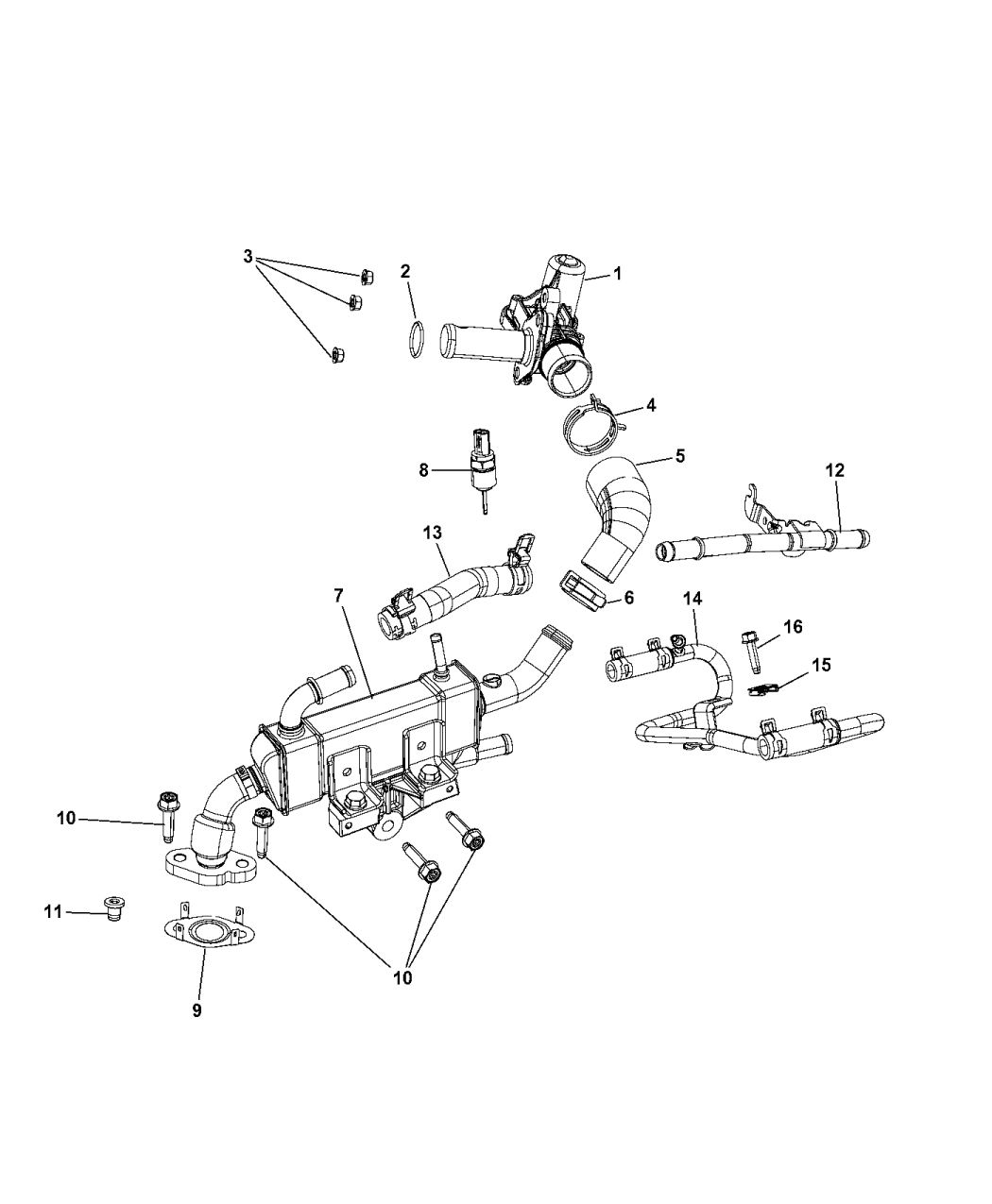
From www.jeeppartsoverstock.com
04593896AB Jeep Valve. Egr. Related, system Jeep Parts Overstock, Lakeland FL Egr Valve Location Jeep Not only does it send unburnt fuel back into your intake. the egr valve is a massive component of your engine. If you are wondering how to. simultaneously as you pull on the wrench, push on the top of the egr valve towards the center of the jeep, rotating the egr valve. if it is to hopefully. Egr Valve Location Jeep.
From axleaddict.com
EGR Valve Location AxleAddict Egr Valve Location Jeep in this video we replace the failed egr valve in our 2010 jeep wrangler by utilizing zipties to move the. if it is to hopefully resolve an issue, you can loosen the 8mm bolts holding the tube on the egr valve enough to pull. egr valve replacement jeep wrangler 3.8l v6 how to install or remove and. Egr Valve Location Jeep.
From workshoparchaism.z21.web.core.windows.net
2009 Jeep Wrangler Egr Valve Location Egr Valve Location Jeep simultaneously as you pull on the wrench, push on the top of the egr valve towards the center of the jeep, rotating the egr valve. egr valve replacement jeep wrangler 3.8l v6 how to install or remove and replace. if it is to hopefully resolve an issue, you can loosen the 8mm bolts holding the tube on. Egr Valve Location Jeep.
From www.moparpartsgiant.com
2015 Jeep Wrangler EGR Valve Mopar Parts Giant Egr Valve Location Jeep the egr valve is a massive component of your engine. Not only does it send unburnt fuel back into your intake. simultaneously as you pull on the wrench, push on the top of the egr valve towards the center of the jeep, rotating the egr valve. egr valve replacement jeep wrangler 3.8l v6 how to install or. Egr Valve Location Jeep.
From www.carid.com
Standard® Jeep Grand Cherokee 2016 EGR Valve Egr Valve Location Jeep simultaneously as you pull on the wrench, push on the top of the egr valve towards the center of the jeep, rotating the egr valve. in this video we replace the failed egr valve in our 2010 jeep wrangler by utilizing zipties to move the. egr valve replacement jeep wrangler 3.8l v6 how to install or remove. Egr Valve Location Jeep.
From www.mymoparparts.com
20182019 Jeep Wrangler Egr Valve 5281410AD My Mopar Parts Egr Valve Location Jeep If you are wondering how to. if it is to hopefully resolve an issue, you can loosen the 8mm bolts holding the tube on the egr valve enough to pull. Not only does it send unburnt fuel back into your intake. the egr valve is a massive component of your engine. in this video we replace the. Egr Valve Location Jeep.
From fixenginekasey88.z21.web.core.windows.net
2007 Jeep Grand Cherokee Egr Valve Location Egr Valve Location Jeep If you are wondering how to. egr valve replacement jeep wrangler 3.8l v6 how to install or remove and replace. Not only does it send unburnt fuel back into your intake. in this video we replace the failed egr valve in our 2010 jeep wrangler by utilizing zipties to move the. if it is to hopefully resolve. Egr Valve Location Jeep.
From enginetommie101.z13.web.core.windows.net
2007 Jeep Grand Cherokee Egr Valve Location Egr Valve Location Jeep egr valve replacement jeep wrangler 3.8l v6 how to install or remove and replace. the egr valve on a jk is located on the back of the passenger side cylinder head between the engine and the firewall. Not only does it send unburnt fuel back into your intake. the egr valve is a massive component of your. Egr Valve Location Jeep.
From www.jk-forum.com
Jeep Wrangler JK How to Replace EGR Valve Jkforum Egr Valve Location Jeep the egr valve is a massive component of your engine. If you are wondering how to. in this video we replace the failed egr valve in our 2010 jeep wrangler by utilizing zipties to move the. if it is to hopefully resolve an issue, you can loosen the 8mm bolts holding the tube on the egr valve. Egr Valve Location Jeep.
From www.wranglerforum.com
Jeep JK 3.8l EGR Valve Replacement Jeep Wrangler Forum Egr Valve Location Jeep the egr valve is a massive component of your engine. in this video we replace the failed egr valve in our 2010 jeep wrangler by utilizing zipties to move the. the egr valve on a jk is located on the back of the passenger side cylinder head between the engine and the firewall. If you are wondering. Egr Valve Location Jeep.
From www.youtube.com
2006 Jeep Commander HEMI EGR Valve YouTube Egr Valve Location Jeep simultaneously as you pull on the wrench, push on the top of the egr valve towards the center of the jeep, rotating the egr valve. If you are wondering how to. the egr valve is a massive component of your engine. Not only does it send unburnt fuel back into your intake. egr valve replacement jeep wrangler. Egr Valve Location Jeep.
From www.jk-forum.com
Jeep Wrangler JK How to Replace EGR Valve Jkforum Egr Valve Location Jeep if it is to hopefully resolve an issue, you can loosen the 8mm bolts holding the tube on the egr valve enough to pull. If you are wondering how to. simultaneously as you pull on the wrench, push on the top of the egr valve towards the center of the jeep, rotating the egr valve. the egr. Egr Valve Location Jeep.
From www.moparpartsgiant.com
5281256AG Genuine Mopar VALVEEGR Egr Valve Location Jeep egr valve replacement jeep wrangler 3.8l v6 how to install or remove and replace. the egr valve on a jk is located on the back of the passenger side cylinder head between the engine and the firewall. the egr valve is a massive component of your engine. Not only does it send unburnt fuel back into your. Egr Valve Location Jeep.
From axleaddict.com
EGR Valve Location AxleAddict Egr Valve Location Jeep egr valve replacement jeep wrangler 3.8l v6 how to install or remove and replace. Not only does it send unburnt fuel back into your intake. the egr valve on a jk is located on the back of the passenger side cylinder head between the engine and the firewall. simultaneously as you pull on the wrench, push on. Egr Valve Location Jeep.
From www.youtube.com
How to get a Jeep Wrangler EGR Valve working again for codes P1404 and P0404. YouTube Egr Valve Location Jeep the egr valve is a massive component of your engine. If you are wondering how to. Not only does it send unburnt fuel back into your intake. simultaneously as you pull on the wrench, push on the top of the egr valve towards the center of the jeep, rotating the egr valve. the egr valve on a. Egr Valve Location Jeep.
From www.slimansparts.com
Jeep Commander Egr valve 53034192AB Amherst OH Egr Valve Location Jeep If you are wondering how to. the egr valve is a massive component of your engine. the egr valve on a jk is located on the back of the passenger side cylinder head between the engine and the firewall. if it is to hopefully resolve an issue, you can loosen the 8mm bolts holding the tube on. Egr Valve Location Jeep.
From www.xoffroad-france.fr
4593896AB Valve EGR, Jeep Wrangler (Unlimited) JK 20072011, Chrysler Pacifica CS 20042008 Egr Valve Location Jeep if it is to hopefully resolve an issue, you can loosen the 8mm bolts holding the tube on the egr valve enough to pull. the egr valve is a massive component of your engine. simultaneously as you pull on the wrench, push on the top of the egr valve towards the center of the jeep, rotating the. Egr Valve Location Jeep.